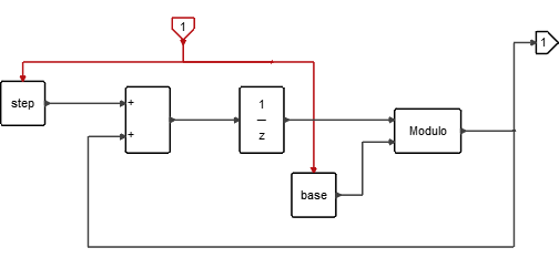
ModuloCounter

ModuloCounter

Diagram Context expand