TimerEx
Timer block.
![]()
Library
StateMachine
Description
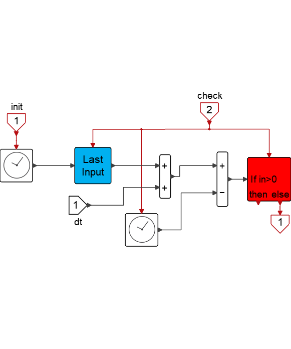
In this block, an event on the init activation port starts the timer. An event on its check activation port is then directed to the output if the specified time-period, called timeout, is over. So, the event on the check port checks if the timeout period has run out or not.
Ports
| Name | Type | Description | IO Type | Number |
|---|---|---|---|---|
init | activation | This event starts the timer (timeout period). | input | 1 |
check | activation | Check activation. | input | 2 |
Port 3 | activation | The check activation is redirected to this output if the timeout period is over. | output | 1 |
dt | explicit | Timeout time period read at init activation. | input | 1 |
