TimerEx2
Timer block.
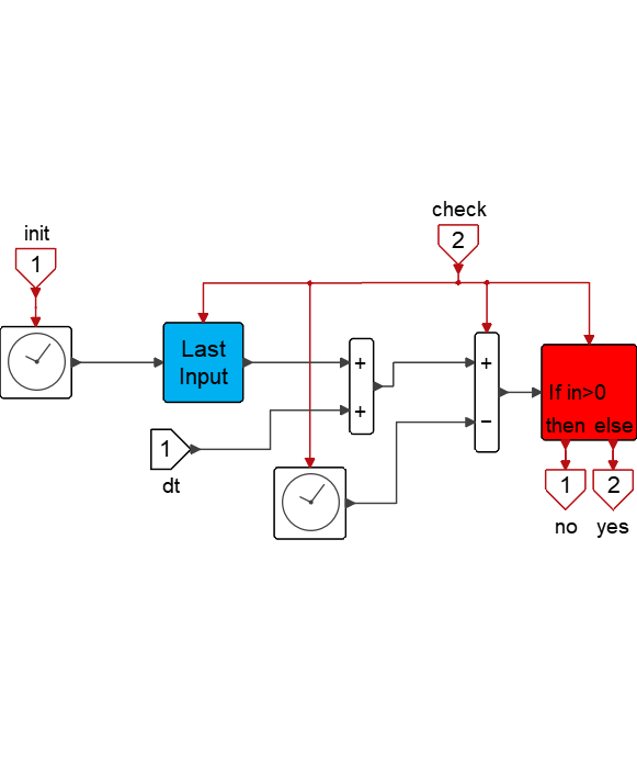
![]()
Library
StateMachine
Description
In this block, an event on the init activation port starts the timer. An event on its check activation port is then directed to the yes output if the specified time-period, called timeout, is over. It i otherwise redirected to the no output. So, the event on the check port checks if the timeout period has run out or not.
Ports
| Name | Type | Description | IO Type | Number |
|---|---|---|---|---|
no | activation | The check activation is redirected to this output if the timeout period is not over. | output | 1 |
yes | activation | The check activation is redirected to this output if the timeout period is over. | output | 2 |
init | activation | This event starts the timer (timeout period). | input | 1 |
check | activation | Check activation. | input | 2 |
dt | explicit | input | 1 |
