ModuloCounter
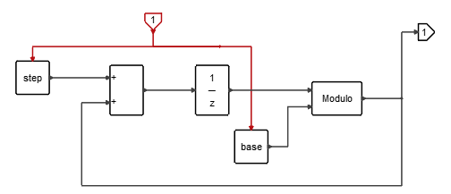
This block increments its output so that after each activation the value of the block output is given by the previous value of this output plus one, modulo base, where base is a block parameter.
![]()
Library
Activate/SignalGenerators
Description
The Modulo block increments or decrements its output by a given Step value at each activation time modulo a base number. The initial output can be set to any number between 0 and base-1. The value -1 is also accepted and replaced with base-1.
The block is externally activated: an activation port is placed on the block to connect to an event generator such as an EventClock block.
Parameters

| Name | Label | Description | Data Type | Valid Values |
|---|---|---|---|---|
ini_state | Counter initial output | Initial value (scalar). Any number between -1 and base-1. The value -1 is replaced with base-1. | Matrix | |
base | Modulo base | Base value for the modulo (scalar). | Matrix | |
step | Step | The increment or decrement of the counter. When positive, it counts up. When negative, it counts down. | Scalar | |
typ | Output datatype | The datatype of the output. Supported types are: Double, int8, int16, int32, uint8, uint16, uint32, inherit. | String | 'double' |
Ports
| Name | Type | Description | IO Type | Number |
|---|---|---|---|---|
Port 1 | explicit | output | 1 | |
Port 2 | activation | input | 1 |
