SS-V:5010 Z字型片持ち梁
テスト番号VNL02大きさが変動する横荷重の下でのZ字型片持ち梁の垂直変位を求めます。
定義

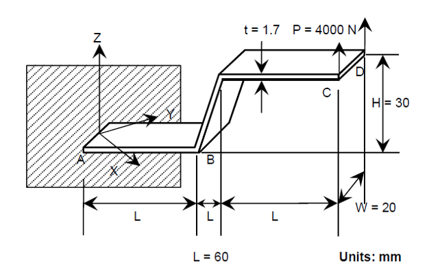
図 1.
荷重は控え目でその方向は変わりませんが、片持ち梁は変形します。
- 特性
- 値
- 弾性係数
- 2.e+11 pa
- ポアソン比
- 0.3
結果
| 荷重 [N] | SOL基準 * | SimSolid | %差異 |
|---|---|---|---|
| 300 | 113.0 | 113.3 | 0.24% |
| 500 | 124.1 | 122.1 | -1.58% |
| 1000 | 131.0 | 133.3 | 1.78% |
| 2500 | 139.5 | 143.4 | 2.82% |
| 4000 | 144.0 | 144.8 | 0.53% |
*SOL基準は薄肉シェルモデルです。
図 2.